University of Leeds Paid Internship

I was responsible for making the official CAD tutorial materials for the 'Design for Manufacture' module on the Product Design BSc programme.

Tutorial features

Using zebra stripes

Lip & Groove

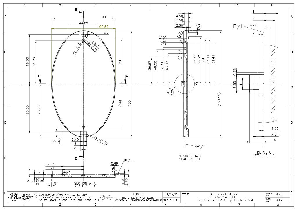
Snap Hook

What the tutorial teaches students

  • Freeform bodies in SolidWorks

  • Lip and groove features

  • Fastening elements

  • PCB integration using screw bosses

  • Emphasis on G2 continuity for seamless geometry

  • Adresses manufacturing constraints specific to injection moulding

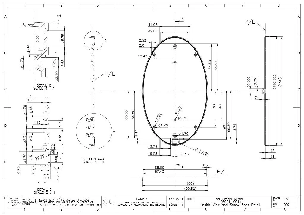
Assembly Screw Boss

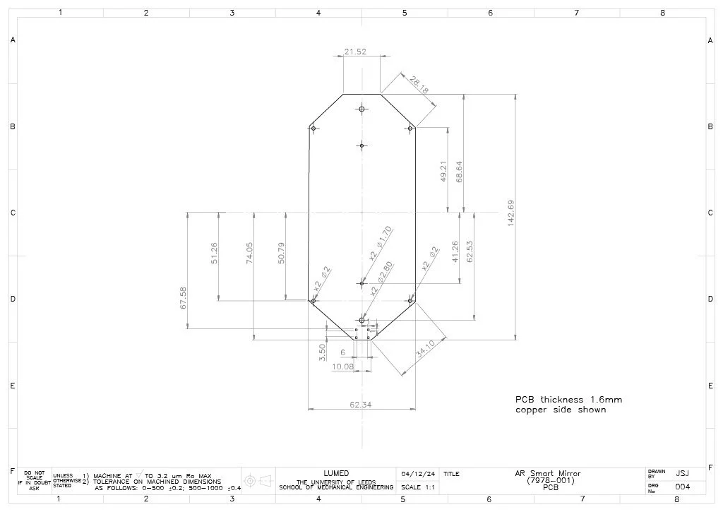
PCB Sub Assembly

Examples of technical drawings

Virtual Ward Project Concept Assemblies

Creating a workflow for custom additive manufactured orthotics

3D scan data from PolyCam used on iPhone

Trimmed the surfaces where they were needed

Used Solidworks to convert the mesh to surfaces

Offset the surfaces by 2mm

3D Printed Concepts

Thickened the surfaces to create solid body

Adjusted the fit up in SolidWorks